International Journal of

ADVANCED AND APPLIED SCIENCES

EISSN: 2313-3724, Print ISSN: 2313-626X

Frequency: 12

line decor
  
line decor

 Volume 12, Issue 12 (December 2025), Pages: 62-74

----------------------------------------------

 Original Research Paper

Design of an MPPT charge controller using a DC–DC buck-boost converter under system disturbances

 Author(s): 

 Abdulaziz J. Alateeq *

 Affiliation(s):

 Department of Electrical Engineering, College of Engineering, University of Ha’il, Ha’il, Saudi Arabia

 Full text

    Full Text - PDF

 * Corresponding Author. 

   Corresponding author's ORCID profile:  https://orcid.org/0009-0008-3639-1687

 Digital Object Identifier (DOI)

  https://doi.org/10.21833/ijaas.2025.12.007

 Abstract

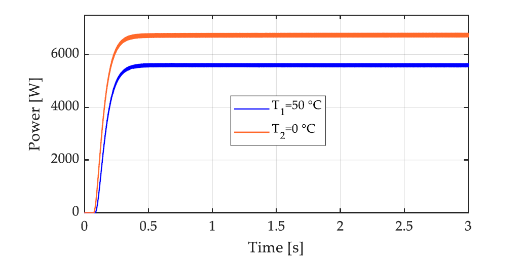
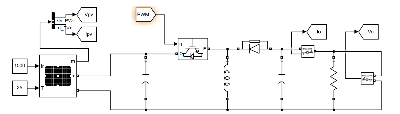
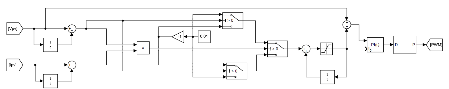
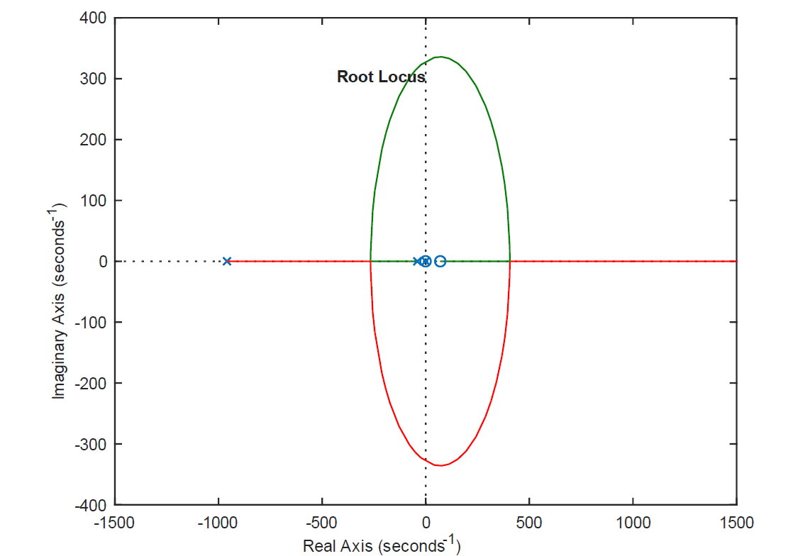
This paper presents the analysis and design of a maximum power point tracker (MPPT) for a 6 KW photovoltaic (PV) system. The MPPT is implemented through a DC–DC buck-boost converter, modeled and simulated in MATLAB/Simulink. The design begins with determining the operating point of the system by establishing the relationship between the converter’s input impedance, output impedance, and duty ratio, which defines the mechanism of maximum power tracking under system disturbances such as variations in solar irradiance. To achieve optimal performance, the perturb and observe (P&O) algorithm is applied to track the maximum power point, generating a DC signal that is processed by a proportional–integral (PI) controller. The PI controller is designed using a mathematical model developed with the state-space approach, ensuring that the operating point of the system is maintained at the maximum power level.

 © 2025 The Authors. Published by IASE.

 This is an open access article under the CC BY-NC-ND license (https://creativecommons.org/licenses/by-nc-nd/4.0/).

 Keywords

 Maximum power point tracking, Photovoltaic system, Buck-boost converter, Perturb and observe, PI controller

 Article history

 Received 3 May 2025, Received in revised form 28 September 2025, Accepted 14 November 2025

 Acknowledgment

No Acknowledgment. 

 Compliance with ethical standards

 Conflict of interest: The author(s) declared no potential conflicts of interest with respect to the research, authorship, and/or publication of this article.

 Citation:

 Alateeq AJ (2025). Design of an MPPT charge controller using a DC–DC buck-boost converter under system disturbances. International Journal of Advanced and Applied Sciences, 12(12): 62-74

  Permanent Link to this page

 Figures

  Fig. 1  Fig. 2  Fig. 3  Fig. 4  Fig. 5  Fig. 6  Fig. 7  Fig. 8  Fig. 9  Fig. 10  Fig. 11  Fig. 12  Fig. 13 

 Tables

  Table 1  Table 2

----------------------------------------------   

 References (35)

  1. Abbas A, Farhan M, Shahzad M, Liaqat R, and Ijaz U (2025). Power tracking and performance analysis of hybrid perturb–observe, particle swarm optimization, and fuzzy logic-based improved MPPT control for standalone PV system. Technologies, 13(3): 112.  https://doi.org/10.3390/technologies13030112    [Google Scholar]
  2. Al-Baidhani H, Corti F, Reatti A, and Kazimierczuk MK (2023). Robust sliding-mode control design of DC-DC zeta converter operating in buck and boost modes. Mathematics, 11(17): 3791.  https://doi.org/10.3390/math11173791    [Google Scholar]
  3. Ali Z, Abbas SZ, Mahmood A, Ali SW, Javed SB, and Su CL (2023). A study of a generalized photovoltaic system with MPPT using perturb and observer algorithms under varying conditions. Energies, 16(9): 3638.  https://doi.org/10.3390/en16093638    [Google Scholar]
  4. Anbuchandran S, Stephen DS, Babu MA, and Bhuvanesh A (2024). MIWO based MPPT of PV system for induction motor driven water pumping system. E-Prime – Advances in Electrical Engineering, Electronics and Energy, 10: 100835.  https://doi.org/10.1016/j.prime.2024.100835    [Google Scholar]
  5. Anowar MH and Roy P (2019). A modified incremental conductance based photovoltaic MPPT charge controller. In the International Conference on Electrical, Computer and Communication Engineering (ECCE), IEEE, Cox's Bazar, Bangladesh: 1-5.  https://doi.org/10.1109/ECACE.2019.8679308    [Google Scholar]
  6. Byanpambé G, Djondiné P, Guidkaya G et al. (2024). A modified fractional short circuit current MPPT and multicellular converter for improving power quality and efficiency in PV chain. PLOS ONE, 19(9): e0309460.  https://doi.org/10.1371/journal.pone.0309460    [Google Scholar] PMid:39226281 PMCid:PMC11371253
  7. Celikel R, Yilmaz M, and Gundogdu A (2022). A voltage scanning-based MPPT method for PV power systems under complex partial shading conditions. Renewable Energy, 184: 361-373.  https://doi.org/10.1016/j.renene.2021.11.098    [Google Scholar]
  8. Cubas J, Pindado S, and Sorribes-Palmer F (2017). Analytical calculation of photovoltaic systems maximum power point (MPP) based on the operation point. Applied Sciences, 7(9): 870.  https://doi.org/10.3390/app7090870    [Google Scholar]
  9. Deraz SA, Zaky MS, Tawfiq KB, and Mansour AS (2024). State space average modeling, small signal analysis, and control implementation of an efficient single-switch high-gain multicell boost DC-DC converter with low voltage stress. Electronics, 13(16): 3264.  https://doi.org/10.3390/electronics13163264    [Google Scholar]
  10. Endiz MS, Gökkuş G, Coşgun AE, and Demir H (2025). A review of traditional and advanced MPPT approaches for PV systems under uniformly insolation and partially shaded conditions. Applied Sciences, 15(3): 1031.  https://doi.org/10.3390/app15031031    [Google Scholar]
  11. Ganesan P and Gunasekaran S (2022). Modelling and simulation of incremental conductance algorithm for solar maximum power point tracker. In the IEEE Delhi Section Conference, IEEE, New Delhi, India: 1-6.  https://doi.org/10.1109/DELCON54057.2022.9753007    [Google Scholar]
  12. Garcia AS and Strandberg R (2021). Analytical modeling of the maximum power point with series resistance. Applied Sciences, 11(22): 10952.  https://doi.org/10.3390/app112210952    [Google Scholar]
  13. Gil-Velasco A and Aguilar-Castillo C (2021). A modification of the perturb and observe method to improve the energy harvesting of PV systems under partial shading conditions. Energies, 14(9): 2521.  https://doi.org/10.3390/en14092521    [Google Scholar]
  14. Guerra MI, Ugulino de Araújo FM, Dhimish M, and Vieira RG (2021). Assessing maximum power point tracking intelligent techniques on a PV system with a buck–boost converter. Energies, 14(22): 7453.  https://doi.org/10.3390/en14227453    [Google Scholar]
  15. Gul S, Malik SM, Sun Y, and Alsaif F (2024). An artificial neural network based MPPT control of modified flyback converter for PV systems in active buildings. Energy Reports, 12: 2865-2872.  https://doi.org/10.1016/j.egyr.2024.08.082    [Google Scholar]
  16. Hamad SA, Ghalib MA, Munshi A, Alotaibi M, and Ebied MA (2025). Evaluating machine learning models comprehensively for predicting maximum power from photovoltaic systems. Scientific Reports, 15: 10750.  https://doi.org/10.1038/s41598-025-91044-6    [Google Scholar] PMid:40155411 PMCid:PMC11953328
  17. Hamidi F, Olteanu SC, Popescu D, Jerbi H, Dincă I, Ben Aoun S, and Abbassi R (2020). Model based optimisation algorithm for maximum power point tracking in photovoltaic panels. Energies, 13(18): 4798.  https://doi.org/10.3390/en13184798    [Google Scholar]
  18. Hinov N, Gocheva P, and Gochev V (2023). Index matrix-based modeling and simulation of buck converter. Mathematics, 11(23): 4756.  https://doi.org/10.3390/math11234756    [Google Scholar]
  19. Ibrahim MH, Ang SP, Dani MN, Rahman MI, Petra R, and Sulthan SM (2023). Optimizing step-size of perturb and observe and incremental conductance MPPT techniques using PSO for grid-tied PV system. IEEE Access, 11: 13079-13090.  https://doi.org/10.1109/ACCESS.2023.3242979    [Google Scholar]
  20. Khan MU, Murtaza AF, Noman AM, Sher HA, and Zafar M (2024). State-space modeling, design, and analysis of the DC-DC converters for PV application: A review. Sustainability, 16(1): 202.  https://doi.org/10.3390/su16010202    [Google Scholar]
  21. Koundi M, El Idrissi Z, El Fadil H et al. (2022). State-feedback control of interleaved buck–boost dc–dc power converter with continuous input current for fuel cell energy sources: Theoretical design and experimental validation. World Electric Vehicle Journal, 13(7): 124.  https://doi.org/10.3390/wevj13070124    [Google Scholar]
  22. Mahmod Mohammad AN, Mohd Radzi MA, Azis N, Shafie S, and Atiqi Mohd Zainuri MA (2020). An enhanced adaptive perturb and observe technique for efficient maximum power point tracking under partial shading conditions. Applied Sciences, 10(11): 3912.  https://doi.org/10.3390/app10113912    [Google Scholar]
  23. Maidin SN, Kamardin K, Ahmad NA, Ahmed IS, Kaidi HM, Bani NA, and Ambran S (2020). Algorithms and methods for energy harvesting in wireless networks: A review. International Journal of Advanced and Applied Sciences, 7(1): 125–138.  https://doi.org/10.21833/ijaas.2020.01.013    [Google Scholar]
  24. Masry MZE, Mohammed A, Amer F, and Mubarak R (2023). New hybrid MPPT technique including artificial intelligence and traditional techniques for extracting the global maximum power from partially shaded PV systems. Sustainability, 15(14): 10884.  https://doi.org/10.3390/su151410884    [Google Scholar]
  25. Melhaoui M, Rhiat M, Oukili M et al. (2025). Hybrid fuzzy logic approach for enhanced MPPT control in PV systems. Scientific Reports, 15: 19235.  https://doi.org/10.1038/s41598-025-03154-w    [Google Scholar] PMid:40456858 PMCid:PMC12130274
  26. Obeidi N, Kermadi M, Belmadani B, Allag A, Achour L, and Mekhilef S (2022). A current sensorless control of buck-boost converter for maximum power point tracking in photovoltaic applications. Energies, 15(20): 7811.  https://doi.org/10.3390/en15207811    [Google Scholar]
  27. Restrepo C, Yanẽz-Monsalvez N, González-Castaño C, Kouro S, and Rodriguez J (2021). A fast converging hybrid MPPT algorithm based on abc and P&O techniques for a partially shaded PV system. Mathematics, 9(18): 2228.  https://doi.org/10.3390/math9182228    [Google Scholar]
  28. Ríos J, Enrique JM, Barragán AJ, and Andújar JM (2020). Comparative analysis of robustness and tracking efficiency of maximum power point in photovoltaic generators, using estimation of the maximum power point resistance by irradiance measurement processing. Sensors, 20(24): 7247.  https://doi.org/10.3390/s20247247    [Google Scholar] PMid:33348793 PMCid:PMC7766423
  29. Salman S, Ai X, and Wu Z (2018). Design of a P-and-O algorithm based MPPT charge controller for a stand-alone 200W PV system. Protection and Control of Modern Power Systems, 3: 25.  https://doi.org/10.1186/s41601-018-0099-8    [Google Scholar]
  30. Shang L, Guo H, and Zhu W (2020). An improved MPPT control strategy based on incremental conductance algorithm. Protection and Control of Modern Power Systems, 5(2): 1-8.  https://doi.org/10.1186/s41601-020-00161-z    [Google Scholar]
  31. Tirado-Serrato JG, Garcia AS, and Maximov S (2024). Analytical computation of the maximum power point of solar cells using perturbation theory. Energies, 17(23): 6035.  https://doi.org/10.3390/en17236035    [Google Scholar]
  32. Tomaszuk A and Borawski K (2024). A new approach to examine the dynamics of switched-mode step-up DC–DC converters: A switched state-space model. Energies, 17(17): 4413.  https://doi.org/10.3390/en17174413    [Google Scholar]
  33. Xie L, Wan D, and Qin R (2023). Dual-loop voltage–current control of a fractional-order buck-boost converter using a fractional-order PI λ controller. Fractal and Fractional, 7(3): 256.  https://doi.org/10.3390/fractalfract7030256    [Google Scholar]
  34. Yilmaz M (2024). Comparative analysis of hybrid maximum power point tracking algorithms using voltage scanning and perturb and observe methods for photovoltaic systems under partial shading conditions. Sustainability, 16(10): 4199.  https://doi.org/10.3390/su16104199    [Google Scholar]
  35. Zambrano-Gutierrez DF, Cruz-Duarte JM, Valencia-Rivera GH, Amaya I, and Avina-Cervantes JG (2022). Dynamic analysis for the physically correct model of a fractional-order buck-boost converter. Computer Sciences and Mathematics Forum, 4(1): 2.  https://doi.org/10.3390/cmsf2022004002    [Google Scholar]